我的购物车

快速报价可来图加工
购物车0

最新加入的商品

您的购物车中暂无商品,赶快选择心爱的商品吧!
扫描

型号参数

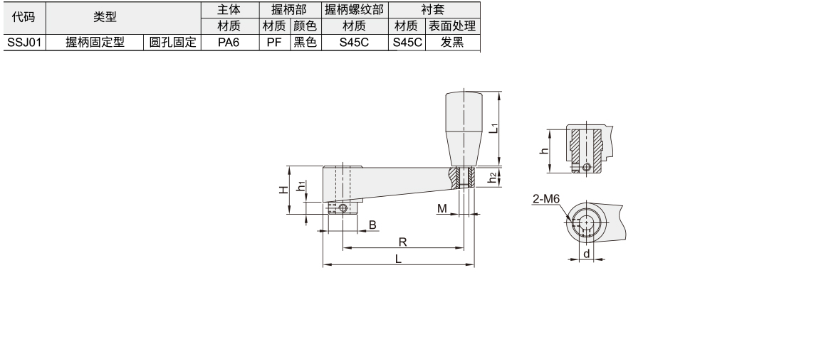
手柄 外螺纹式 握柄固定 圆孔固定  

条件筛选:
摇手柄
参数选型:
类型
请选择
握柄固定型
主体材质
请选择
PA6
安装方式
请选择
圆孔固定
产品选型:
代码
请选择
SSJ01
R
请选择
80 100 125 160
产品型号:

完成选型以生成型号

备选型号:
共有4个备用型号
SSJ01-R80 SSJ01-R100 SSJ01-R125 SSJ01-R160

查看更多备选型号

选择型号 4 个备选型号
x

请选择或填写完整型号参数来生成产品型号!

--
发货天数以下单次日起算,不含周日与法定假日
数量
- +
(PCS)温馨提示:不同产品输入不同的数量可获得对应的折扣!
  • 产品详情
  • 商品评价
  • 资料
  • 3D模型预览
    材质图
    拆分
    参数图

    SSJ01.jpg

    规格选型表
    手柄 外螺纹式 握柄固定 圆孔固定参数图1
    规格选型表
    • 暂无图片
    • 该型号暂无应用视频