我的购物车

快速报价可来图加工
购物车0

最新加入的商品

您的购物车中暂无商品,赶快选择心爱的商品吧!
扫描

型号参数

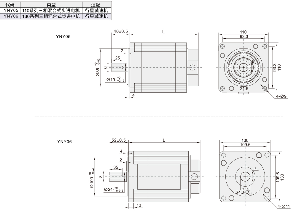
三相混合式步进电机  

条件筛选:
产品选型:
代码
请选择
YNY05 YNY06
电机法兰尺寸
请选择
110 130
相数
请选择
H3P
机身长度
请选择
137 160 180 185 219 252 284
电流
请选择
43 58 60 68
线数
请选择
A3
产品型号:

完成选型以生成型号

备选型号:
共有8个备用型号
YNY05-110-H3P-137-43-A3 YNY05-110-H3P-160-58-A3 YNY05-110-H3P-185-60-A3 YNY05-110-H3P-219-68-A3 YNY06-130-H3P-180-68-A3 YNY06-130-H3P-219-68-A3 YNY06-130-H3P-252-68-A3 YNY06-130-H3P-284-68-A3

查看更多备选型号

选择型号 8 个备选型号
x

请选择或填写完整型号参数来生成产品型号!

--
发货天数以下单次日起算,不含周日与法定假日
数量
- +
(PCS)温馨提示:不同产品输入不同的数量可获得对应的折扣!
  • 产品详情
  • 商品评价
  • 资料
  • 3D模型预览
    材质图
    拆分
    参数图

    05.jpg

    选型表
    三相混合式步进电机参数图1
    选型表
    • 暂无图片
    • 该型号暂无应用视频