我的购物车

快速报价可来图加工
购物车0

最新加入的商品

您的购物车中暂无商品,赶快选择心爱的商品吧!
扫描

型号参数

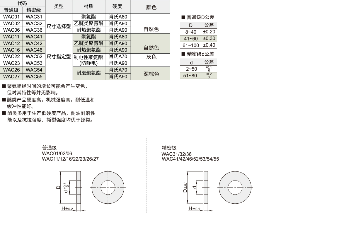
聚氨酯垫圈 尺寸选择型/尺寸指定型  

参数选型:
类型
请选择
尺寸选择型 尺寸指定型
材质
请选择
聚氨酯 乙醚类聚氨酯 耐热聚氨酯 制电性聚氨酯(防静电) 耐磨聚氨酯
硬度
请选择
肖氏A80 肖氏A90 肖氏70
产品选型:
代码
请选择
WAC01 WAC02 WAC06 WAC11 WAC12 WAC16 WAC22 WAC23 WAC26 WAC27 WAC31 WAC32 WAC36 WAC41 WAC42 WAC46 WAC52 WAC53 WAC55 WAC54
D
请选择
8 10 12 15 20 25 30 35 40 50 60
d
请选择
2 3 4 5 6 8 10 12 16 20 25 30 40
H
请选择
1 2 3 5 6 10
产品型号:

完成选型以生成型号

备选型号:
共有1980个备用型号
WAC01-D8-d2-H1 WAC01-D8-d2-H2 WAC01-D8-d2-H3 WAC01-D8-d3-H1 WAC01-D8-d3-H2 WAC01-D8-d3-H3 WAC01-D8-d4-H1 WAC01-D8-d4-H2 WAC01-D8-d4-H3 WAC01-D10-d2-H1 WAC01-D10-d2-H2 WAC01-D10-d2-H3 WAC01-D10-d2-H5 WAC01-D10-d3-H1 WAC01-D10-d3-H2 WAC01-D10-d3-H3 WAC01-D10-d3-H5 WAC01-D10-d4-H1 WAC01-D10-d4-H2

查看更多备选型号

选择型号 1980 个备选型号
x

请选择或填写完整型号参数来生成产品型号!

--
发货天数以下单次日起算,不含周日与法定假日
数量
- +
(PCS)温馨提示:不同产品输入不同的数量可获得对应的折扣!
  • 产品详情
  • 商品评价
  • 资料
  • 3D模型预览
    材质图
    拆分
    参数图

    WAC01.jpg

    规格选型表
    聚氨酯垫圈 尺寸选择型/尺寸指定型参数图1
    规格选型表
    • 暂无图片
    • 该型号暂无应用视频