您好,欢迎来到
安昂商城
请登录
免费注册
商城首页
专属跟单
联系人:工
积分商城
帮助中心
新手指南
用户注册
购物流程
用户协议
配送方式
上门自提
快速发货
配送说明
售后服务
退换货返修
服务政策
关于安昂
关于安昂
企业公告
帮助中心
关于安昂
联系我们
全国服务热线:
400-098-1117
工作时间:周一到周六 8:30-18:00
扫我报价
手机逛逛
扫描二维码
我的订单
我的收藏
购物车
信息
400-098-1117
在线咨询
客服01:马小姐
手机:18124339357
座机:0769-23036116
Q Q:
客服02:戴工
手机:13392720614
微信:手机同号
客服03:葛小姐
手机:18128557263
微信:手机同号
售前热线
400-098-1117
顶部
我的购物车
热门推荐:
直线导轨
滑块
轴承
行星减速机
快速报价
可来图加工
购物车
0
最新加入的商品
您的购物车中暂无商品,赶快选择心爱的商品吧!
去购物车去结算
产品分类
机械标准零件类
机械标准零件类
导向轴
导向轴支座
固定环
转轴
弹簧·氮气弹簧
磁铁
小零件
定位零件
歧管块
气动夹钳·快速夹钳
定位销
支柱
底座
固定夹
探针
直线运动类
直线运动类
线性导轨
直线轴承
无油衬套
滚珠丝杆
丝杠支座组件
梯形丝杆及组件
滚珠花键
单轴驱动器
单轴机器人
位移台
拖链
风琴罩·防护罩
直线电机
滚珠丝杆电机
传动配件类
传动配件类
联轴器
同步轮
同步带
平皮带/圆皮带
齿轮齿条
链轮链条
滚轮
滚轮条
万向球
滚筒
滑轮
惰轮
滚动配件类
滚动配件类
带座轴承
轴承/关节轴承
马达驱动类
马达驱动类
中型减速电机
微型交流电机
准双曲面齿轮减速电机
行星减速机
步进电机
传动行星减速机
谐波减速器
无刷直流电机
凸轮分割器
中空旋转平台
丝杆电机
气动元件类
气动元件类
气缸
控制阀
气源处理器
气动接头/调速阀
气动配件
真空吸盘
真空发生器
电气工控类
电气工控类
PLC触摸屏
机箱悬臂
显示器支架
开关电源
线束
端子
信号灯·照明灯
传感器
风扇
开关按钮
分线盒·按钮盒
控制盒·箱体
波纹管·保护管
电缆线
电缸
PLC端子台
继电器
航空插头
紧固件类
紧固件类
螺钉
螺母
垫圈/垫片
挡圈
平键
螺栓
螺柱
铆接类
小零件标尺标签
油封
密封塞
密封圈
密封垫圈
树脂类
柱塞
专用配件
0型圈
定位珠
定位柱
分度销
吊环
插销
自动化设备组件
自动化设备组件
输送机
工业框体结构部件类
工业框体结构部件类
脚轮
脚杯
磁力扣
蝶形铰链
拉手
搭扣
工业滑轨
把手
手柄
手轮
门锁
球形扣
水平调节轮
插销
撑杆
挂钩
密封扣
工业铝型材及配件
工业铝型材及配件
铝型材
机械防护栏
倍速链型材
工业材料
工业材料
树脂材料·隔热板
减震防护类
首页
商品中心
资料下载
3D模型库
FA电子书
铝型材电子
首页
>
机械标准零件类
>
锁紧器
>
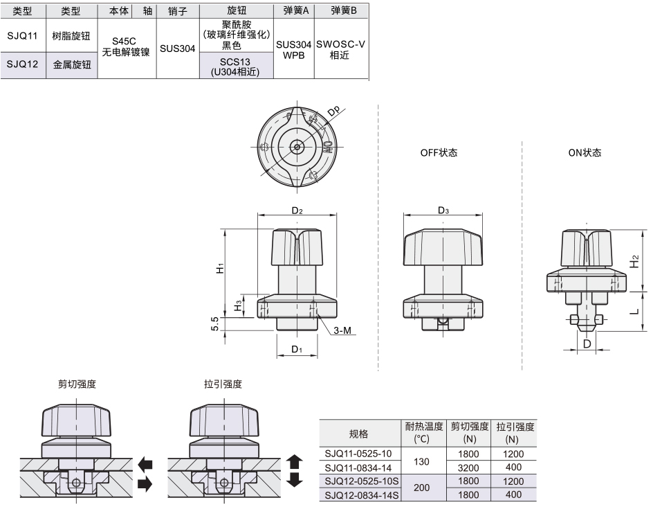
锁紧器 转拇指型锁紧器(收销式)
型号参数
锁紧器 转拇指型锁紧器(收销式)
条件筛选:
类型:
树脂旋钮
类型:
金属旋钮
参数选型:
类型
请选择
树脂旋钮
金属旋钮
产品选型:
代码
请选择
SJQ11
SJQ12
规格
请选择
0525-10
0834-14
安装方式
请选择
A
B
清除筛选
产品型号:
完成选型以生成型号
复制
备选型号:
共有
8
个备用型号
SJQ11-0525-10-A
SJQ11-0525-10-B
SJQ12-0525-10-A
SJQ12-0834-14-B
SJQ11-0834-14-A
SJQ11-0834-14-B
SJQ12-0525-10-B
SJQ12-0834-14-A
查看更多备选型号
选择型号
有
8
个备选型号
x
请选择或填写完整型号参数来生成产品型号!
未税单价:
含税单价:
含税总价(税率13%):
发货天数:
--
--
发货天数以下单次日起算,不含周日与法定假日
数量
-
+
(PCS)
温馨提示:不同产品输入不同的数量可获得对应的折扣!
快速报价
加入购物车
一键购买
切换整屏选型
PDF下载
3D模型
数量折扣
提示:超出批量折扣上限数量时,请联系在线客服以获取优惠价格或交期
相关配件组合推荐
锁紧器 转拇指型锁紧器(收销式)
+
已选择
0
个配件
组合价
¥0.00
一键购买套装
套装加入购物车
=
产品详情
商品评价
资料
3D模型预览
材质图
拆分
参数图
选型表
选型表
下载
下载
该型号暂无应用视频